ÇATALHÖYÜK 2004 ARCHIVE REPORT
| |
CULTURAL AND ENVIRONMENTAL MATERIALS REPORTS
Report on the Charcoal Macro-Remains
Eleni Asouti
Institute of Archaeology, University College London
Abstract
The main objective of this season's work was to compare the results available from earlier work in the South Area to results derived from deposits excavated in different parts of the Neolithic East mound. Certain differences in sample composition and taxon representation were observed. Their likely interpretations are presented in this report, together with some details on the sampling and analytical methodologies followed during the 2004 season.
Özet
Bu sezon yapılan çalışmaların ana amacı, daha önce Güney alanından elde edilen örneklerin, Neolitik doğu tepesinin farklı yerlerinden elde edilen örneklerle karşılaştırılmasına yönelik idi. Genel olarak bakıldığında, 4040 alanından elde edilen kömür örnekleri, Güney Alanına göre çok daha az çeşitlilik göstermektedir. Bununla beraber, şu da göz önünde bulundurulmalıdır ki; daha önceki çalışmalarda ortaya konulan bütün ana ekolojik ünitelerin temsilleri yeni kazılarda da bulunmaktadır: yukarı meşe-ardıç ormanları (Konya ovasının güney eteğindeki tepeliklerdeki koluvyal eğimlerde), nehir kenarı ormanlık alanları, step ormanları (ovanın sel basan, stepe yakın kesimlerinde) ve tam step (marn düzleminde ve daha kuru alanlarda) (Asouti ve Hather, 2001).
Sampling and analytical methodologies
During the 2004 season I examined 29 charcoal flotation samples (totaling 2,368 fragments) which correspond to 26 excavated contexts (see Table 13). Samples from the 4040 Area were the main target of the analysis. A smaller set of botanical samples from the area excavated by the Poznan team were also included, to assess their potential for evaluating woodland composition and fuel use during the latest phases of Neolithic habitation on the East Mound.
With regards to context types, all midden and/or external refuse deposits excavated in the 4040 Area were prioritized (Table 13). A few context types other than refuse deposits were included in the analysis (e.g. hearths, burnt concentrations of materials, etc.) for comparative purposes. Samples collected by the Poznan team were selected in a less systematic manner pending further analytical work.

Table 14: List of samples and their contextual information from the 4040 Area
Given time restrictions and the need to include in the analysis as many samples as possible, microscopic identification work concentrated on the >4mm fraction of the dry-sieved flots, counting a subsample of 100 fragments per flot (when available). By concentrating on the >4mm fraction the identification potential of each sample was retained, whilst the relative frequencies of the taxa commonly used in the past can be established in a reliable way. In previous seasons the >2mm fraction had also been included in the analysis, providing information mainly on small-sized woods such as shrubs (details about these methodologies have been presented at length in a number of recent publications – see Asouti, in press; Asouti & Austin, in press). Sorted >4mm dry-sieve fractions were also weighted individually for calculating and comparing charcoal densities across samples and excavated deposits. The results of these calculations will be finalized once the >2mm charcoal weights have been included in them.
Preliminary results & comparisons with earlier work
The preliminary counts for each sample are presented in Table 14. Figures 78-80 show examples of charcoal identified during the 2004 season.
The analysis of the data is still at a preliminary stage. Comparisons with the data produced for the South Area would suggest that juniper maintains a much more prominent presence in the samples from the 4040 Area. By contrast, in the South Area virtually all midden samples were dominated by oak (Asouti, in press a). Furthermore, it is evident that in the 4040 Area there is no consistent pattern in taxon representation across samples. Given that the two areas overlap significantly in the Çatalhöyük temporal sequence such differentiation becomes difficult to evaluate (see below, Interpretation section). In addition, small woods (shrubs) are substantially fewer in the 4040 samples, although the fact that no part of the >2mm fraction was examined during this season has certainly affected the low frequencies of shrubs such as woody legumes and wormwoods (Asteraceae). Some rare taxa (e.g. alder, chaste tree, caper, fig, wild plum, etc.) that had been previously found in the South Area middens are also absent from the 4040 assemblages. Overall, the first impression is that these samples are less diverse compared to the charcoal samples from the South Area. At the same time however, it must be noted that all the main ecological units reconstructed through previous analyses are also represented in the recent charcoal results: Upland oak-juniper woodland (at the southern edges of the Konya plain on hills and colluvial slopes), riverine forest (most proximate to the site), forest steppe (at the edges of the floodplain protruding into the steppe) and steppe proper (on the marl plain and drier localities) (Asouti and Hather, 2001).
Interpretation
4040 Area
A number of options have been considered for evaluating the differences in sample composition between the 4040 and the South Area (more secure interpretations will arise with the systematic quantification of the results and the incorporation in the discussion of excavation data and other types of evidence from the same contexts).
Differences in taxon representation and sample composition could be the result of differences in the mode of deposition of middens between the two main areas that have been studied so far (South Area & 4040).
This is likely as in the 4040 Area there have been excavated “alley-like” spaces between buildings. Indeed most of the midden charcoal samples have derived from precisely these spaces (Table 13). The first impression from the excavation data is that areas enclosed on all four sides by buildings and used as communal loci for refuse disposal over substantial periods of time (South Area) might not have been the norm for the 4040 Area. Therefore, the discrepancies in the composition of charcoal samples from the 4040 middens may reflect a different pattern (more episodic-less structured) of refuse disposal practices and behaviour. It is also much reminiscent of the between building fills (Building 1) excavated and sampled in previous seasons (random-like representation of “rare” taxa and uneven preservation of assemblages) (Asouti, in press a). It is likely that these areas were used occasionally as “streets” alongside their regular use as dumping grounds. In sum, the discrepancies in sample composition observed between the 4040 and the South Area appear to be the result of different midden formation processes occurring in each area.
Differences in taxon representation and sample composition could be the result of differential access to woodland resources between residential groups inhabiting the Neolithic East mound.
This is always a possibility, albeit (in this case) a distant one. The fact that all previously identified environmental units are evidenced in the most recent results too renders this option rather unlikely.
Team Poznan
Analysis of the charcoal samples collected in the Poznan team area is still at a very preliminary stage. First impressions suggest that woodland resources from more distant areas (i.e. oak and juniper) were probably much less exploited during the last stages of Neolithic habitation on the east mound. This is an interesting pattern, largely replicating the picture familiar from the earliest levels (where charcoal also contained mainly species found in the immediate vicinity of the site) (see Asouti, in press a). Further analysis is necessary before this pattern can be verified but it is interesting to note that comparable trends are revealed by the animal bone data. One interpretation (the more obvious perhaps) might be that Çatalhöyük is a classic example of a cyclical pattern in the development of a sedentary community: foundation of a small settlement-consolidation & expansion-reduction in size. At present, we simply do not have enough archaeological information to confirm or refute such a pattern. Alternatively, the charcoal data might indicate the fragmentation of the community into smaller groups with differential access to resources (especially those situated at a greater distance from the site) as a precursor to the fission of settlement observed during the Chalcolithic. In turn, this might represent yet another indication of the gradual erosion of social controls over communal resource management (cf. Asouti in press b).
![]() |
![]() |
Table 15: Charcoal counts from the 4040 and the team Poznan Areas
![]() |
![]() |
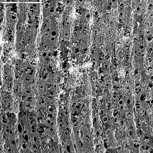
Figure 78: Examples of elm deadwood showing on the left traces of fungal hyphae on cell walls and on the right mycelium (thread-like masses of fungal tissues) inside cells (fragment >4mm, unit (11024), flot #5877)
![]() |
![]() |
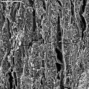
Figure 79: Examples of Ulmaceae (possibly elm) [left] and Pistacia [right] twig wood (fragments >4mm, unit (11024), flot #5877 and unit (7840), flot #5900 respectively)
![]() |
![]() |
Figure 80: Caper (Capparis) wood charcoal (fragment >4mm unit (7952), flot #5888)
| |
© Çatalhöyük Research Project and individual authors, 2004







